Product Summary
The FP40R12KT3 is an IGBT module.
Parametrics
FP40R12KT3 absolute maximum ratings: (1)collector-emitter voltage, VCES: 1200V; (2)DC-collector current, IC nom: 40A when Tc=80℃; IC: 55A when Tc=25℃; (3)repetitive peak collector current, ICRM: 80A; (4)total power dissipation, Ptot: 210W; (5)gate-emitter peak votlage, VGES: +/-20V.
Features
FP40R12KT3 features: (1)repetitive peak reverse voltage, VRRM: 1200V; (2)DC forward current, IF: 40A; (3)repetitive peak forward current, IFRM: 80A; (4)i2t value, I2t: 320A2s.
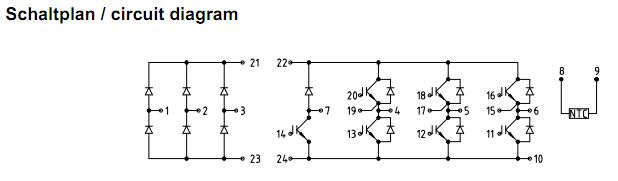
Diagrams

| Image | Part No | Mfg | Description |  | Pricing (USD) | Quantity | ||||||||
|---|---|---|---|---|---|---|---|---|---|---|---|---|---|---|
|  |  FP40R12KT3 |  Infineon Technologies |  IGBT Modules N-CH 1.2KV 55A |  Data Sheet |  
 |  | ||||||||
|  |  FP40R12KT3G |  Infineon Technologies |  IGBT Modules N-CH 1.2KV 55A |  Data Sheet |  
 |  | ||||||||
 (China (Mainland))
 (China (Mainland)) 
                         
                        
 
                                    




