Product Summary
The 6MBI15LS-060 is an IGBT module. The applications of the 6MBI15LS-060 include inverter for Motor drive, AC and DC servo drive amplifier, uninterruptible power supply, industrial machine, such as welding machines.
Parametrics
6MBI15LS-060 absolute maximum ratings: (1)Collecter-emitter voltage, VCES: 600V; (2)F=Gate-emitter voltage, VGES: ±20V; (3)Collecter current, continuous, IC: 15A; 1ms, IC pulse: 30A; Duty=77%, -IC: 15A,; 1ms, -IC pulse: 30A; (4)Max. power dissipation, PC: 50W; (5)Operating temperature, Tj: +150℃; (6)Storage temperature, Tstg: -40 to +125℃; (7)Isolation voltage, AC. 1min., Vis: 2000V; (8)Screw torque, MOUNTING: 17kg·cm.
Features
6MBI15LS-060 features: (1)High speed switching; (2)Low saturation voltage; (3)Compact package; (4)PCB mounting flexibility.
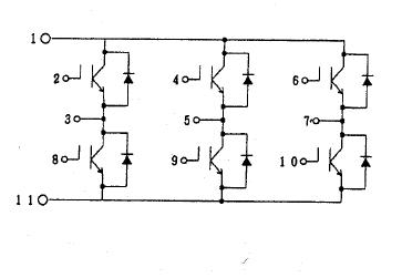
Diagrams

|  |  6MBI 25S-120L |  Other |  |  Data Sheet |  Negotiable |  | ||||
|  |  6MBI 35S-120L |  Other |  |  Data Sheet |  Negotiable |  | ||||
|  |  6MBI 50S-120L |  Other |  |  Data Sheet |  Negotiable |  | ||||
|  |  6MBI100F-060 |  Other |  |  Data Sheet |  Negotiable |  | ||||
|  |  6MBI100FA-060 |  Other |  |  Data Sheet |  Negotiable |  | ||||
|  |  6MBI100FB-060 |  Other |  |  Data Sheet |  Negotiable |  | ||||
 (China (Mainland))
 (China (Mainland)) 
                         
                        
 
                                    




