Product Summary
The 6MBP30RH060 is an IGBT module. The applications of the 6MBP30RH060 include Inverter for motor drive, AC and DC servo drive amplifier, UPS (Uninterruptible power supply).
Parametrics
6MBP30RH060 absolute maximum ratings: (1)DC bus voltage, VDC: 450V; (2)DC bus voltage (Surge), VDC (surge): 500V; (3)DC bus voltage (Short operating), VSC: 400V; (4)Collector-Emitter voltage, VCES: 600V; (5)Collector current, DC, IC: 30A; 1ms, ICP: 60A; Duty=56.6%, -IC: 30A; (6)Collector power dissipation, One transistor, PC: 85W; (7)Junction temperature, Tj: 150℃; (8)Input voltage of power supply for pre-driver, VCC: -0.3 to 20V; (9)Input signal voltage, Vin: Vz V; (10)Input singal current, Iin: 1mA; (11)Alarm signal voltage, VALM: Vcc V; (12)Alarm signal current, IALM: 15mA; (13)Storage temperature, Tstg: -40 to 125℃; (14)Operating case temperature, Tcop: -20 to 100℃; (15)Isolating voltage (Terminal to base, 50/60Hz sine wave 1min.), Viso: AC2500V; (16)Screw torque, Mounting(M4): 2.0N·m.
Features
6MBP30RH060 features: (1)Low power loss and soft switching; (2)High performance and high reliability IGBT with overheating; (3)protection; (4)Higher reliability because of a big decrease in number of parts in built-in control circuit.
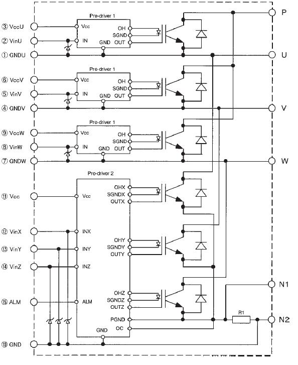
Diagrams

| Image | Part No | Mfg | Description |  | Pricing (USD) | Quantity | ||||
|---|---|---|---|---|---|---|---|---|---|---|
|  |  6MBP30RH060 |  Other |  |  Data Sheet |  Negotiable |  | ||||
| Image | Part No | Mfg | Description |  | Pricing (USD) | Quantity | ||||
|  |  6MBP 150RA-060 |  Other |  |  Data Sheet |  Negotiable |  | ||||
|  |  6MBP 15RH-060 |  Other |  |  Data Sheet |  Negotiable |  | ||||
|  |  6MBP 75RA-120 |  Other |  |  Data Sheet |  Negotiable |  | ||||
|  |  6MBP100RTA-060 |  Other |  |  Data Sheet |  Negotiable |  | ||||
|  |  6MBP100RTB060 |  Other |  |  Data Sheet |  Negotiable |  | ||||
|  |  6MBP150RA120 |  Other |  |  Data Sheet |  Negotiable |  | ||||
 (China (Mainland))
 (China (Mainland)) 
                         
                        
 
                                    




