Product Summary
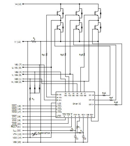
The IRAMS10UP60B is an Integrated Power Module developed and optimized for electronic motor control in appliance applications such as washing machines and refrigerators. Plug N Drive technology offers an extremely compact, high performance AC motor-driver in a single isolated package for a very simple design. The internal shunt of IRAMS10UP60B is also included and offers easy current feedback and overcurrent monitor for precise and safe operation.
Parametrics
IRAMS10UP60B absolute maximum ratings: (1)Maximum IGBT Blocking Voltage:600V; (2)Positive Bus Input Voltage:450V; (3)RMS Phase Current TC=25℃:10A; (4)RMS Phase Current TC=100℃:5A; (5)Maximum Peak Phase Current (tp<100ms):15A; (6)Maximum PWM Carrier Frequency:20 kHz; (7)Maximum Power dissipation per Phase:20 W; (8)Isolation Voltage (1min):2000 VRMS; (9)Operating Junction temperature Range:-40℃ to +150℃; (10)Operating Junction temperature Range:-40℃ to +150℃; (11)Mounting torque Range (M3 screw):0.8 to 1.0 Nm.
Features
IRAMS10UP60B features: (1)Internal Shunt Resistor; (2)Integrated Gate Drivers and Bootstrap Diodes; (3)Temperature Monitor; (4)Fully Isolated Package; (5)Low VCE(on) Non Punch Through IGBT Technology; (6)Undervoltage lockout for all channels; (7)Matched propagation delay for all channels; (8)Schmitt-triggered input logic; (9)Cross-conduction prevention logic; (10)Lower di/dt gate driver for better noise immunity; (11)Motor Power range 0.4~0.75kW / 85~253 Vac; (12)Isolation 2000VRMS /1min.
Diagrams

| Image | Part No | Mfg | Description |  | Pricing (USD) | Quantity | ||||||||||||
|---|---|---|---|---|---|---|---|---|---|---|---|---|---|---|---|---|---|---|
|  |  IRAMS10UP60B |  International Rectifier |  Motor / Motion / Ignition Controllers & Drivers |  Data Sheet |  
 |  | ||||||||||||
|  |  IRAMS10UP60B-2 |  International Rectifier |  Motor / Motion / Ignition Controllers & Drivers |  Data Sheet |  
 |  | ||||||||||||
|  |  IRAMS10UP60B-4 |  International Rectifier |  Motor / Motion / Ignition Controllers & Drivers |  Data Sheet |  
 |  | ||||||||||||
|  |  IRAMS10UP60B-3 |  International Rectifier |  Motor / Motion / Ignition Controllers & Drivers |  Data Sheet |  
 |  | ||||||||||||
 (China (Mainland))
 (China (Mainland)) 
                         
                        
 
                                    




